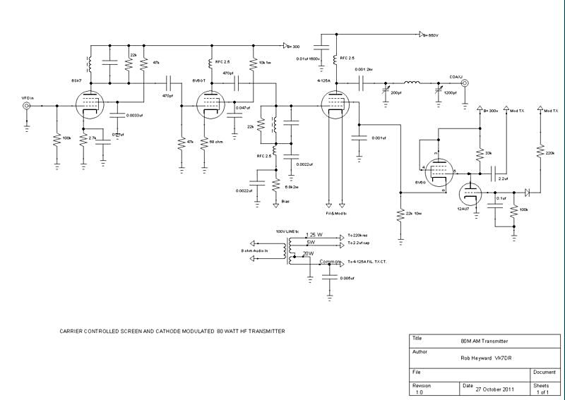
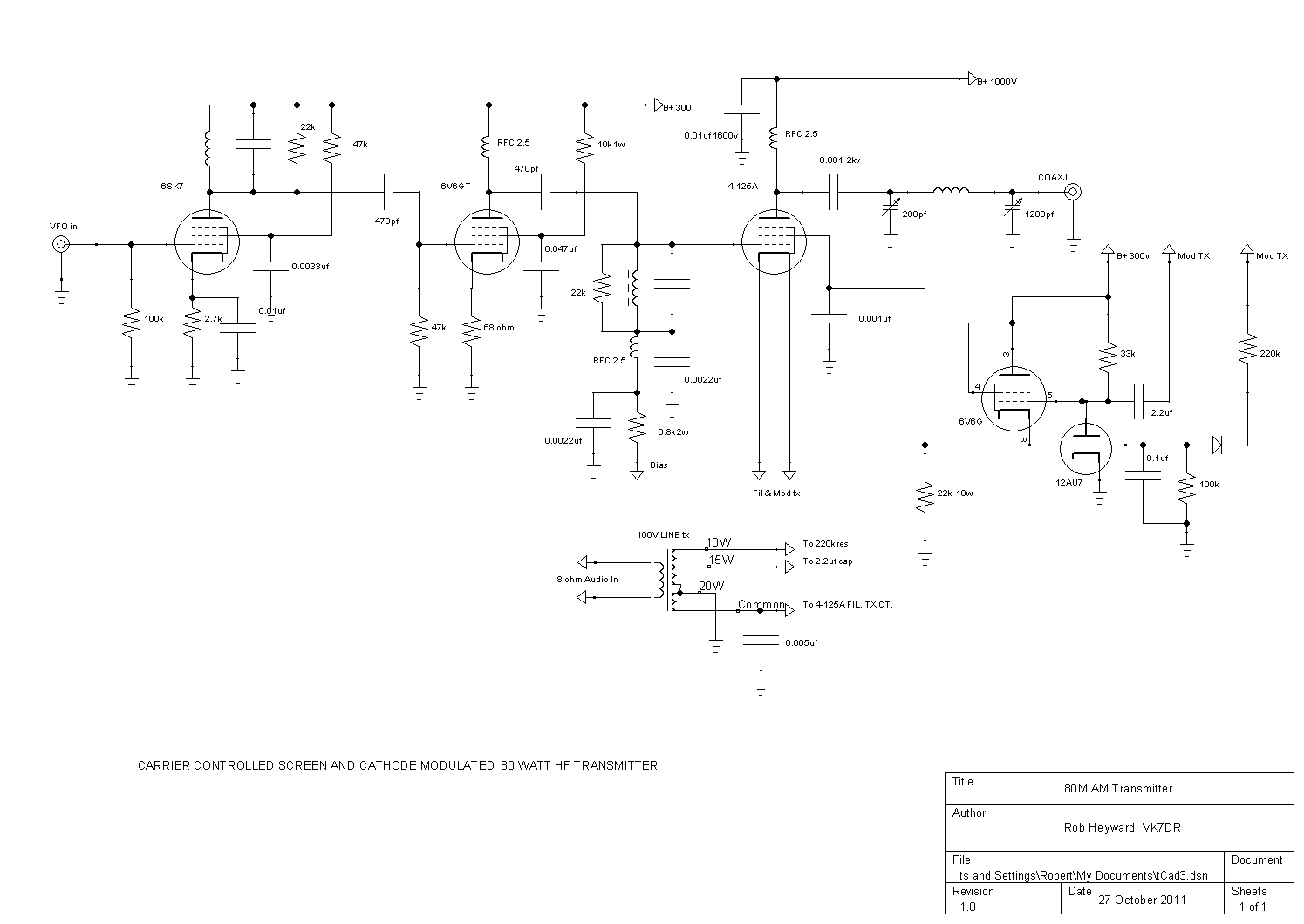
New, cathode and screen modulated 80m AM Transmitter with carrier control.

website design software

[Home] [Radios] [Antennae] [QTH] [AR Notes] [Technical] [Personal]